首页
关于我们
产品中心
新闻资讯
资质证书
案例展示
服务支持
联系我们
13325983138
首页
关于我们
+
企业简介
企业文化
领导致辞
社会责任
产品中心
+
配电自动化终端
微机综合保护装置系列
新能源光伏微机保护
开关柜智能操控装置
智能测温装置系列
智能电测仪表系列
智能除湿装置系列
电动机保护器系列
温湿度控制器系列
电量变送器系列
智能照明模块系列
系统综合自动化管理
智能自动灭火装置
电气安全保护产品
过欠压保护器系列
户外组合计量箱
新闻资讯
+
公司动态
行业资讯
资质证书
案例展示
服务支持
+
研发实力
售后服务
资料下载
联系我们
+
销售联系
产品中心
首页
产品中心
配电自动化终端
微机综合保护装置系列
新能源光伏微机保护
开关柜智能操控装置
智能测温装置系列
智能电测仪表系列
智能除湿装置系列
电动机保护器系列
温湿度控制器系列
电量变送器系列
智能照明模块系列
系统综合自动化管理
智能自动灭火装置
电气安全保护产品
过欠压保护器系列
户外组合计量箱
新能源光伏微机保护
JYDZ300B电能质量在线监测装置
产品属性
相关产品
上一个
下一个
联系我们
产品分类 :
新能源光伏微机保护
13325983138
打印当前页
将此页放入收藏夹
发邮件给我们:810946131@qq.com
JYDC500电能质量在线监测装置
查看详情
JYDZ100B电能质量在线监测装置
查看详情
JY2200系列电能质量监测装置
查看详情
JY9100系列防孤岛保护装置
查看详情
JY8004源网荷储协调控制器(四可装置)
查看详情
JY8000系列卫星时间同步装置
查看详情
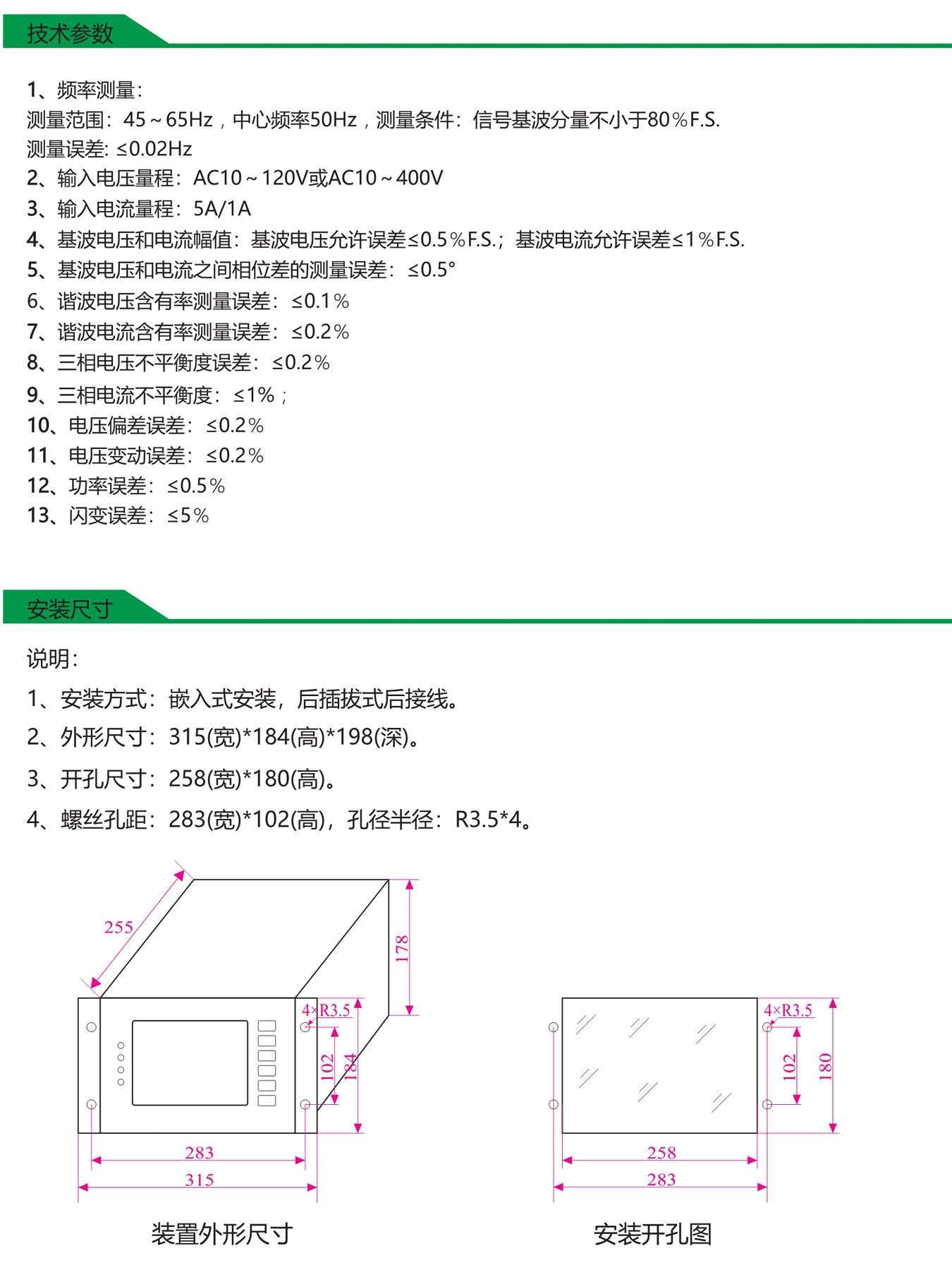
产品详情
×
你可以尝试用快捷键"Ctrl+D"添加到收藏夹中!
确定
电话咨询
13325983138
技术热线
13868728258
微信
返回顶部